Livrare gratuita la comenzi de peste 450 RON!

Bloc incalzire 20x20x10mm V6 CR10 MK8

12,00 RON 10,50 RON

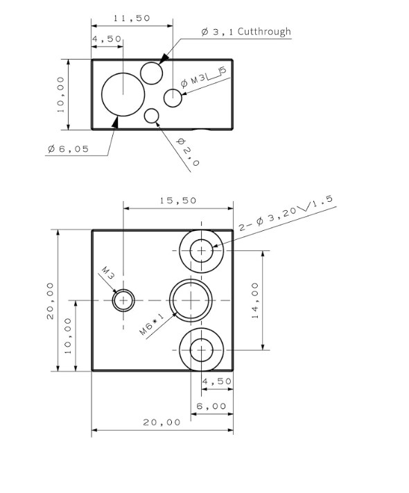
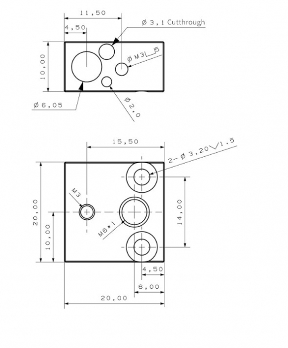
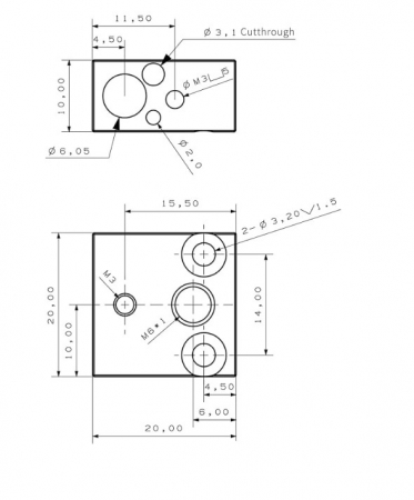
 Blocul de incalzire este esential pentru transferul eficient al energiei termice. Rezistenta, termistorul, duza si tubul filetat (blocul de transfer termic) se monteaza in acest bloc de incalzire.

In stoc

Durata de livrare: max. 2 zile lucratoare

Limita stoc
Adauga in cos
Cod Produs: 0273 Ai nevoie de ajutor? 0755990099
Adauga la Favorite Cere informatii
  • Descriere

Caracteristici tehnice:
Compatibil:
- Model: CR10
- Duza: MK8 filet M6
- Rezistenta/Cartus Incalzire: 6mm filet M3
- Termistor: NTC 3950 100K 2mm filet M3
Dimensiuni: 20x20x10mm
Diametru gauri montare: 3mm
Material: Aluminiu
Culoare: Argintiu

Suport clienti Telefonic: Luni - Vineri 10.00 - 17.00 / Mesaje primite prin e-mail sau formular de contact online: timp de raspuns max. 2 zile lucratoare

0755990099 office@voltmakt.ro

Compara produse

Trebuie sa mai adaugi cel putin un produs pentru a compara produse.

A fost adaugat la favorite!

A fost sters din favorite!